

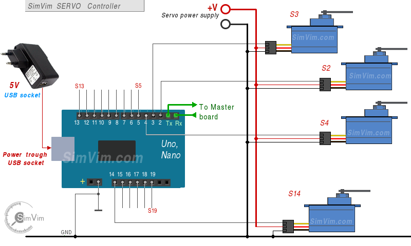
Multiple servos are controlled using additional SimVimX Servo controller board, which is a slave Uno/Nano Arduino board connected with the Master board via serial interface, using Rx/Tx port #2 on the master board. Connect the Tx pin (#1) of the slave board with Rx2 pin (#17) of the master board, and "slave" Rx (pin 0) - with the "master" Tx2 (pin #16).
To use this "slave" controller board you need tp upload the firmwar from the SimVimX plugin menu to this board. The SimVimX Servo Firmware is a program written from scratch to control multiple servos simultaneously. The master board transmits all data intendent for the servos to the slave board. The slave board firmware generates correct control pulses width for positioning multiple servos.
Every servo is connected to one of the output pin available on the slave board starting from #2. You can connect up to 18 servos to the slave Servo board as shown in the right picture above.
"WitMotion" had 16, 24, 32-channel version, but currently you can find only 16-channel version, connecting the same way as SimVimX Servo controller, as described above, with 2-wire serial interface (using pins #16,17). Note: you just need to connect it correctly, no "firmware" needed.
"WitMotion" controller is based on STM32 microcontroller, has high precision and stable timings and it's much better than using boards based on PWM drivers (PCA9685), which are not suitable for precise movement.
2) The alternative servo output option will be added to the master firmware. As the WitMotion doesn't produce the 32-servo boards anymore, another 32-Servo controller also is supported, like this RTrobot Servo 32:
Note 1. Never forget to connect the GNDs of each board ( and other devices as well) to the common GND wire.
Note 2: When you need to upload Servo control firmware to the slave board you need to disconnect the Rx,Tx wires before uploading! To simplify this you simply can add a "shut-off" switch breaking this two wires.
The slave board receives all data from the master controller board only. So, don't keep it connected to USB port after the SimVimX Servo firmware upload. You can use any +5V source connected to the slave board using USB connector, or +5V pin.
Servo has three wires: power, ground, and signal. The power wire is typically red/orange, the ground wire is black/brown and signal is yellow/white. Typically most servos have operating voltage range of 4.2 - 6 Volts.
For all servos used in your system (even if you have only 1-2 servos) you should always use an additional power supply! Even one single servo can sink several hundred milliamperes!
Use an external stabilized 1-10A DC power supply for servo powering! One of the best ways is using an old computer power supply. It can be any old AT PSU (its +5V output) that can be found in your garage.
Be sure to connect the "ground" wires of the controller board, servo and external power supply together first.